GGJ Gabinete Inteligente de Compensación de Potencia Reactiva de Baja Tensión

Inicio / Productos / Agua de interruptor de bajo voltaje / GGJ Gabinete Inteligente de Compensación de Potencia Reactiva de Baja Tensión
GGJ Gabinete Inteligente de Compensación de Potencia Reactiva de Baja Tensión

GGJ Gabinete Inteligente de Compensación de Potencia Reactiva de Baja Tensión

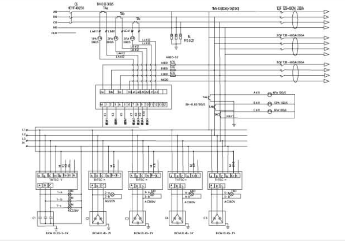
El GGJ Gabinete Inteligente de Compensación de Potencia Reactiva de Baja Tensión se desarrolla para optimizar el factor de potencia, mejorar la eficiencia energética y mantener la estabilidad de voltaje en los sistemas de distribución de bajo voltaje. Integra la compensación de potencia reactiva automática y las tecnologías de monitoreo inteligente en una sola unidad. El gabinete está equipado con condensadores, contactores o tiristores, controladores y elementos de protección, y es adecuado para el control de potencia reactiva dinámica o gradual en varios entornos.

Ventajas de productos
Factor de potencia mejorado
Mejora la utilización de la potencia al ajustar dinámicamente los niveles de potencia reactiva. Reduce la demanda de energía aparente, minimizando así las pérdidas innecesarias del sistema.

Mejora de la eficiencia energética
Ayuda a reducir el consumo de energía compensando las corrientes reactivas. El transformador de decretaciones y las pérdidas de línea en condiciones de carga variables.

Integración de control inteligente
Utiliza controladores basados ​​en microprocesadores para un control de compensación preciso. Identifica el cambio de carga y responde con combinaciones óptimas de condensadores.

Operación del sistema estable
Minimiza la fluctuación de voltaje y mejora el perfil de voltaje del sistema. Supporta el rendimiento constante del equipo en diferentes escenarios de carga.

Características del producto
Estructura de componentes modulares
Incluye bancos de condensadores estandarizados, reactores, fusibles y contactores para facilitar el mantenimiento. Los módulos se pueden actualizar o reemplazar de forma independiente sin afectar todo el sistema.

Mecanismos de protección automática
Equipado con sobrevoltaje, subtensión, sobrecorriente y protección armónica. Asegues de operación segura incluso en entornos con condiciones de cuadrícula fluctuantes.

Diseño de gestión térmica
La ventilación natural y el enfriamiento de aire forzado opcional aseguran el control de la temperatura. Mantiene la eficiencia operativa en habitaciones encerradas o parcialmente ventiladas.

Aplicaciones de productos
Plantas de fabricación industrial
Admite maquinaria pesada y sistemas impulsados ​​por el motor al estabilizar el factor de potencia. Reduce las facturas de energía y prolonga la vida útil del equipo al reducir el estrés eléctrico.

Complejos comerciales
Asegura un suministro de energía eficiente para ascensores, sistemas HVAC y redes de iluminación. Aproveche el ahorro de energía y admite estrategias centrales de gestión de energía.

GGJ/①口/②口/③口/④口/⑤

Gabinete de compensación de potencia reactiva inteligente de bajo voltaje
Voltaje nominal (KV)
Corriente nominal (a)
Rama armónica (3, 5, 7, 11)
J: estática D: Dynamic
Cálculo y determinación de la cantidad de capacitancia requerida para la compensación en el sitio de motores eléctricos
Antes de compensación Para obtener los cos ф 2 kilómetros de condensadores requeridos requeridos por carga de kilovatio
Tanφ1 COSф1 Cosφ2 = 0.7 Cosф2 = 0.75 Cosф2 = 0.8 Cosφ2 = 0.82 Cosφ2 = 0.85 Cosφ2 = 0.87 Cosφ2 = 0.9 Cosφ2 = 0.92 Cosф2 = 0.95 Cosφ2 = 0.97 Cosφ2 = 1.00
4.9 0.2 3.88 4.02 4.15 4.2 4.28 4.33 4.41 4.47 4.57 4.65 4.9
3.87 0.25 2.85 2.99 3.12 3.17 3.25 3.31 3.39 3.45 3.54 3.62 3.87
3.18 0.3 2.16 2.3 2.43 2.48 2.56 2.61 2.7 2.75 2.85 2.93 3.18
2.68 0.35 1.66 1.79 1.93 1.98 2.06 2.11 2.19 2.25 2.35 2.43 2.68
2.29 0.4 1.27 1.41 1.54 1.59 1.67 1.72 1.81 1.87 1.96 2.04 2.29
2.16 0.42 1.14 1.28 1.41 1.46 1.54 1.59 1.68 1.74 1.83 1.91 2.16
2.04 0.44 1.02 1.16 1.29 134 1.42 1.47 1.56 1.62 1.71 1.79 2.04
1.93 0.46 0.91 1.05 1.18 1.23 1.31 1.36 1.45 1.5 1.6 1.68 1.93
1.83 0.48 0.81 0.95 1.08 1.13 1.21 1.26 1.34 1.4 1.5 1.58 1.83
1.73 0.5 0.71 0.85 0.98 1.03 1.11 1.17 1.25 1.31 1.4 1.48 1.73
1.64 0.52 0.62 0.76 0.89 0.94 1.02 1.08 1.16 1.22 1.31 1.39 1.64
1.56 0.54 0.54 0.68 0.81 0.86 0.94 0.99 1.071 1.13 1.23 1.31 1.56
1.48 0.56 0.46 0.6 0.73 0.78 0.86 0.91 0.92 1.05 1.15 1.23 1.48
1.4 0.58 0.38 0.52 0.65 0.71 0.78 0.84 0.85 0.98 1.081 1.15 1.4
1.33 0.6 0.31 0.45 0.58 0.64 0.71 0.77 0.78 0.91 0.94 1.08 1.33
1.27 0.62 0.25 0.38 0.52 0.57 0.65 0.7 0.72 0.84 0.87 1.01 1.27
1.2 0.64 0.18 0.32 0.45 0.5 0.58 0.63 0.65 0.77 0.81 0.95 1.2
1.14 0.66 0.12 0.26 0.39 0.44 0.85 0.57 0.59 0.71 0.75 0.89 1.14
1.08 0.68 0.06 0.2 0.33 0.38 0.46 0.51 0.54 0.65 0.69 0.83 1.08
1.02 0.7 0.14 0.27 0.32 0.4 0.45 0.48 0.59 0.63 0.77 1.02
0.96 0.72 0.08 0.21 0.27 0.34 0.4 0.42 0.54 0.58 0.71 0.96
0.91 0.74 0.03 0.16 0.21 0.29 0.34 0.37 0.48 0.53 0.66 0.91
0.86 0.76 0.11 0.16 0.24 0.29 0.32 0.43 0.47 0.6 0.86
0.8 0.78 0.05 0.1 0.18 0.24 0.27 0.38 0.42 0.55 0.8
0.75 0.8 0.05 0.13 0.18 0.21 0.32 0.37 0.5 0.75
0.7 0.82 0.08 0.13 0.16 0.27 0.32 0.45 0.7
0.65 0.84 0.03 0.08 0.11 0.22 0.26 0.4 0.65
0.59 0.86 0.03 0.06 0.17 0.21 0.34 0.59
0.84 0.88 0.11 0.16 0.29 0.54
0.48 0.9 0.06 0.1 0.23 0.48
0.48 0.92 0.03 0.18 0.43
0.36 0.94 0.11 0.36
0.29 0.96 0.01 0.29
0.2 0.98 0.2

Comentarios de mensajes